Almost all ERA multipoints can be interchanged with a deadbolt, hookbolt or Vectis gearbox. Also known as Fab & Fix, Spartan, Westward and Duraflex, Sapa or Saracen.
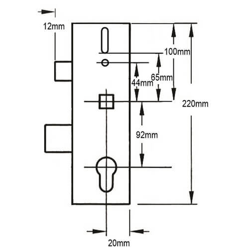
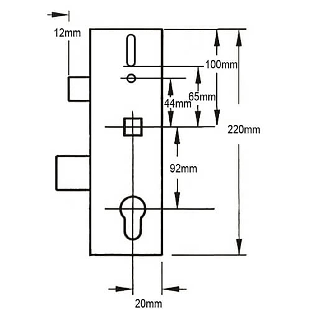
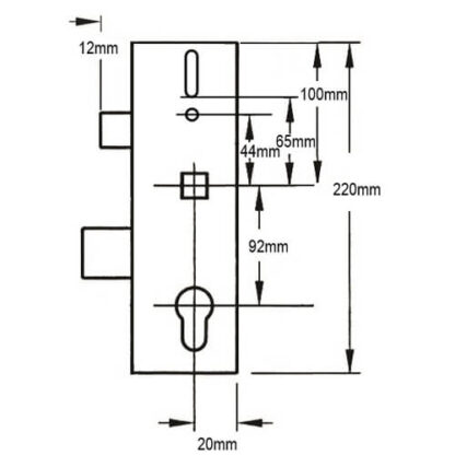
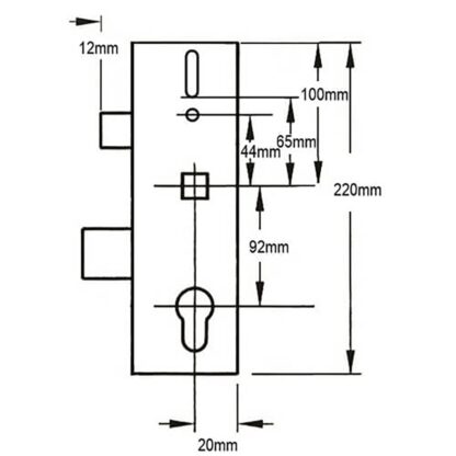
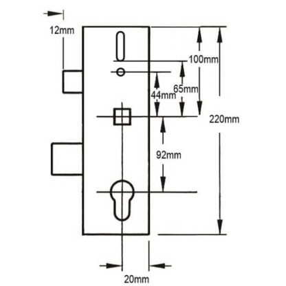
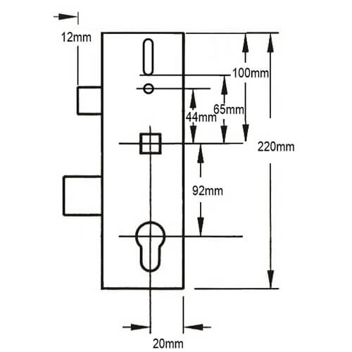
ERA multipoint door lock gearboxes are very distinctive, with a square design and no corner cut-outs. The overall length of the gearbox is 221mm and the width is the backset plus 18mm.
Available in 30mm, 35mm, or 45mm backsets, all ERA gearboxes have the same dimensions. They can feature a classic deadbolt with either a standard euro cut out, an Invincible cylinder cut out, or Vectis 5 lever mechanism. They can feature either a deadbolt or hook bolt (which throws upward). Look out for the British Standard Fortress invincible gearbox which features hardened drill plates.
With the exception of the British Standard Fortress lock and the SureFire, all ERA gearboxes can be interchanged, so if your client needs a hook lock, instead of a deadbolt or a Vectis locking multipoint door lock, contact us and we’ll build the lock to order.
ERA multipoint door lock gearboxes feature a 24mm high latch (with 2 distinctive screws in the latch), a 30mm high deadbolt, and 61mm between them. Gearboxes are held on to the faceplate with 4 screws, which is unusual for a multipoint door lock. The first screw hole to the second measures 37mm, the second to the third measures 85mm, and the third to the fourth screw measures 43mm.
When measuring the backset, allow 2-3mm for the faceplate, so a 35mm backset gearbox will measure 32mm when not fixed to the strip.
Almost all ERA multipoints can be interchanged with a deadbolt, hookbolt, or Vectis gearbox. Also known as Fab & Fix, Spartan, Westward and Duraflex, Sapa or Saracen.
We stock a range of associated products for ERA Deadbolt gearboxes, including multipoint door locks, keeps, spindles, handles, and accessories.
Operation: Lift lever or split spindle
Latch reversal: Undo the screws in the latch to remove. Reverse and reinsert then replace screws.
Nightlatch split spindle reversal: Remove latch to reveal a small screw. Use a small bladed screwdriver to turn the screw 180 degrees then return the latch to the correct position.
To lock the door
1. On closing the door, the latch is automatically engaged.
2. Lift the handle up to engage the additional locking points.
3. Throw the deadbolt and lock the system by turning the key (on some brands, the deadbolt will be thrown by lifting the handle).
To unlock the door
1. Unlock the system by turning the key.
2. Push the handle downwards to disengage the locking points.
3. A further quarter turn of the key will retract the latch.
Reviews
There are no reviews yet.