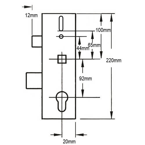
ERA multipoint door lock gearboxes are very distinctive, with a square design and no corner cut-outs. The overall length of the gearbox is 221mm and the width is the backset plus 18mm.
This ERA gearbox features a thinner deadbolt than standard ERA gearboxes for use where the lock faceplate cut-out is too narrow for the standard version.
Available in 30mm, 35mm, or 45mm backsets, all ERA gearboxes have the same dimensions. They can feature a classic deadbolt with either a standard euro cut out, an Invincible cylinder cut out, or a Vectis 5 lever mechanism. They can feature either a deadbolt or hook bolt (which throws upward). Look out for the British Standard Fortress invincible gearbox which features hardened drill plates.
With the exception of the British Standard Fortress lock and the SureFire, all ERA gearboxes can be interchanged, so if your client needs a hook lock, instead of a deadbolt or a Vectis locking multipoint door lock, contact us and we’ll build the lock to order.
ERA multipoint door lock gearboxes feature a 24mm high latch (with 2 distinctive screws in the latch), a 30mm high deadbolt, and 61mm between them. Gearboxes are held onto the faceplate with 4 screws, which is unusual for a multipoint door lock. The first screw hole to the second measures 37mm, the second to the third measures 85mm, and the third to the fourth screw measures 43mm.
When measuring the backset, allow 2-3mm for the faceplate, so a 35mm backset gearbox will measure 32mm when not fixed to the strip.
Thinner deadbolt than standard ERACASE35. The latch needs to be swapped over if being replaced as it’s too thick.
We stock a range of associated products for ERA Deadbolt gearboxes, including multipoint door locks, keeps, spindles, handles and accessories.
Operation: Lift lever or split spindle
Latch reversal: Undo the screws in the latch to remove. Reverse and reinsert then replace the screws.
Nightlatch split spindle reversal: Remove the latch to reveal a small screw. Use a small bladed screwdriver to turn the screw 180 degrees then return the latch to the correct position.
To lock the door
1. On closing the door, the latch is automatically engaged.
2. Lift the handle up to engage the additional locking points.
3. Throw the deadbolt and lock the system by turning the key (on some brands, the deadbolt will be thrown by lifting the handle).
To unlock the door
1. Unlock the system by turning the key.
2. Push the handle downwards to disengage the locking points.
3. A further quarter turn of the key will retract the latch.
Reviews
There are no reviews yet.