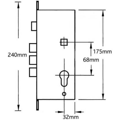
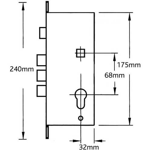
The Hooply multipoint gearbox has Faceplate dimensions of 240mm x 24mm, Centers of 68mm, and a Backset of 60mm. This lock case has Fingerbolts – see HOO002 for the standard deadbolt version. It’s commonly used on site containers and security steel doors.
Operation: Key Wind
Latch reversal: Depending on the date of manufacture either:
1. To reverse the latch, undo the screw on top of the lock case and push the silver button up and the latch should pop out. Twist and reinsert the screw.
2. Using a screwdriver or similar insert into the round hole in the back edge of the lock case behind the latch. Push the entire latch bolt forward until the bolt clears the faceplate and can be rotated. Spin the bolt through 180 degrees. remove the screwdriver from the back of the case and the bolt will move back into position.
To lock the door
1. Lift the handle upwards to engage the locking points.
2. Lock the locking points and main deadbolt (if present) by turning the key.
To unlock the door
1. Unlock the system by turning the key.
2. Push the handle downwards to disengage the locking points and retract the latch.
Reviews
There are no reviews yet.