Ingenious Genuine Multipoint Gearbox. Also known as Ultimate Collection Origin.
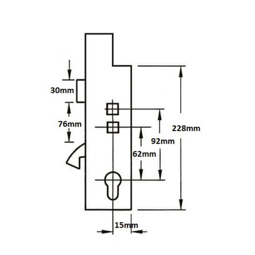
Ingenious gearboxes have a distinctive double spindle arrangement with centres at 62mm and 92mm. Both followers are unsprung so we’d recommend the use of sprung door furniture. The top corner of the gearbox is also cut out.
The overall height is 230mm and they are fixed to the faceplate with 3 screw holes. The top screw hole to the middle screw hole is 110mm and the middle to the bottom is 108mm.
Both the hook and the latch (which features a screw) are 30mm high and the distance between them is 75mm.
When measuring the backset, allow 2-3mm for the faceplate, so a 35mm backset gearbox will measure 32mm when not fixed to the strip.
Ingenious multipoint door gearboxes feature a small, plastic snib on the faceplate. This can be used to hold the latch back for convenience and to prevent accidental lock-outs.
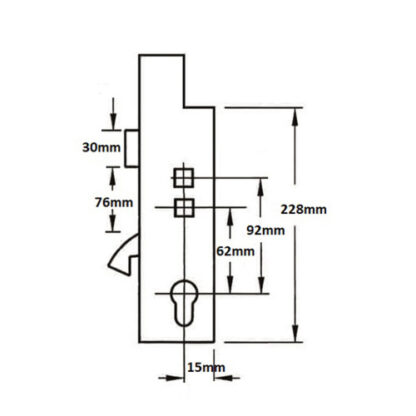
Ingenious gearboxes do bear a resemblance to the Fullex XL series (which are also 230mm), so to double check, we recommend comparing the hook boxes against the pictures as they are distinct.
Also known as Ultimate Collection Origin.
We stock a range of associated products for Ingenious Professional gearboxes, including multipoint door locks, keeps, spindles, handles, and accessories.
Operation: Lift lever or Double spindle
Latch reversal: Undo the screw in the latch to remove it. Reverse and reinsert then replace screws.
To lock the door
1. On closing the door, the latch is automatically engaged.
2. Lift the handle up to engage the additional locking points.
3. Throw the deadbolt and lock the system by turning the key (on some brands, the deadbolt will be thrown by lifting the handle).
To unlock the door
1. Unlock the system by turning the key.
2. Push the handle downwards to disengage the locking points.
3. A further quarter turn of the key will retract the latch.
Reviews
There are no reviews yet.