This copy gearbox is a great value alternative to the original locks. Please keep in mind, that if testing before fitting, the gearbox will not operate properly until attached to the faceplate and connecting rods. Self-tapping screws are required (Part Number: M430CSK).
Fixing points are not threaded and will require M4 x 10mm self-tapping screws.
Mila gearboxes are available in both latch-only and latch and deadbolt configurations, with a double or spindle spindle.
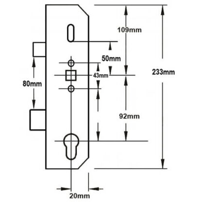
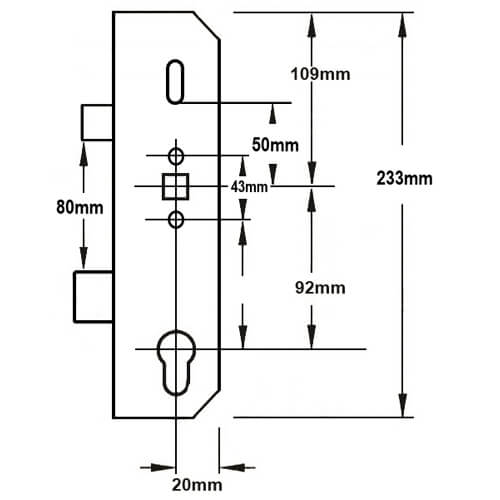
Latch-only versions are always single spindle and are available in 25mm, 28mm, 35mm, and 45mm backsets. Latch and deadbolt versions with a single spindle (92mm PZ) are available in 35mm and 45mm backsets and double spindles are available with a 35mm backset only. The double spindle lock features a 70mm/ 92mm PZ measurement.
Despite the various backsets and operation options, the dimensions of Mila gearboxes are largely the same. They measure 233mm high by the backset + 20mm wide. The latch measures 20mm high, the deadbolt is 30mm high and there is 80mm between the bottom of the latch and the top of the deadbolt.
Please note that some older locks feature an offset or cranked connector. This is only an issue when replacing a gearbox, rather than a full-length lock, but it’s an important point to consider. Replacement gearboxes are now only available with inline connectors. They are still compatible with older locks but it will be necessary to adapt the drive gear that runs behind the faceplate. Follow our technical guide on the process, but there is a square hole in the drive gear that needs to be cut to create a slot to ensure that the lock works.
We stock a range of associated products for Mila Coldseal gearboxes, including multipoint door locks, keeps, spindles, handles, and accessories.
PLEASE BE AWARE, the latch and deadbolt must be in the exact position when lifting the handle and/or throwing the key which is usually only achieved when fitted.
Operation: Lift lever
Latch reversal: Undo the screw in the side of the lock case to remove the latch, reverse, reinsert, and replace the screw.
To lock the door
1. Lift the handle upwards to engage the locking points.
2. Lock the locking points and main deadbolt (if present) by turning the key.
To unlock the door
1. Unlock the system by turning the key.
2. Push the handle downwards to disengage the locking points and retract the latch.
Reviews
There are no reviews yet.