Description
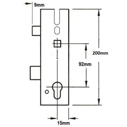
Elite gearboxes are available as a 35mm single spindle lock or with a 35mm or 45mm double spindle. Gearboxes measure 200mm high x backset + 19mm. Be sure to account for 2mm for the faceplate when measuring the backset.
Gearbox deadbolts project 20mm and are 32mm high. The latch is 30mm high and projects 10mm. There is 63mm between the bottom of the latch and the top of the deadbolt.
Centres are positioned at 62mm and 92mm, with the top spindle being 122mm from the bottom of the case. Single spindle locks have a round hole where the second spindle would normally be located. The gearbox is pierced to accept a bolt through fixing 19mm from the top spindle, and the slot above that, for fixings, is 42mm above the spindle.
We stock a range of associated products for Elite Standard gearboxes, including multipoint door locks, keeps, spindles, handles, and accessories.










Reviews
There are no reviews yet.