Description
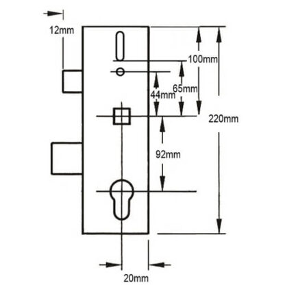
Surelock multipoint door lock gearboxes are very distinctive, with a square design and no corner cut-outs. The overall length of the gearbox is 220mm and the width is the backset plus 18mm.
Available in 35mm, or 45mm backsets.
Surelock multipoint door lock gearboxes feature a 24mm high latch (with 2 distinctive screws in the latch), a 30mm high deadbolt, and 61mm between them. Gearboxes are held on to the faceplate with 4 screws, which is unusual for a multipoint door lock. The first screw hole to the second measures 37mm, the second to the third measures 85mm, and the third to the fourth screw measures 43mm.
When measuring the backset, allow 2-3mm for the faceplate, so a 35mm backset gearbox will measure 32mm when not fixed to the strip.










Reviews
There are no reviews yet.