This gearbox is available with a 35mm backset, features a latch and deadbolt, and is unsprung.
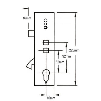
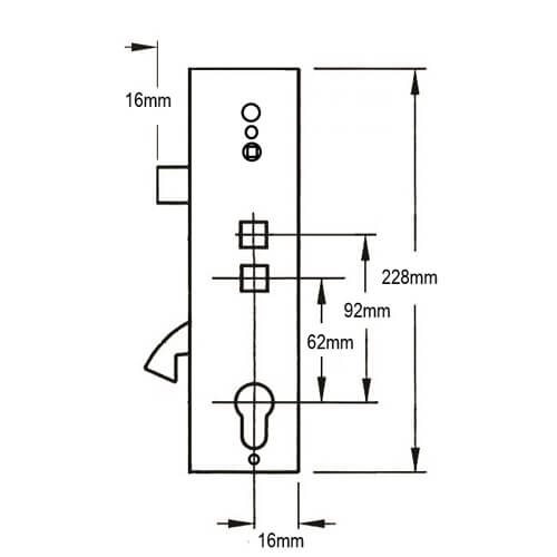
This version is a double spindle (92/62PZ)
Note that this is almost identical in style to the Safeware case and is often confused. The Ultimate Collection case height is 228mm while Safeware is 255mm.
Double spindle gearboxes are unsprung and not suitable for use with unsprung handles. Only suits old-style Securistyle multipoints.
The Key & Turn gearboxes look quite different from regular Ultimate Collection gearboxes with the corner of the lock removed.
Gearboxes are attached to faceplates with 3 screws and cannot be interchanged with other Ultimate Collection locks.
When measuring the backset, allow 2-3mm for the faceplate, so a 28mm backset gearbox will measure 25mm when not fixed to the strip.
Operation: Lift Lever or Double spindle
Latch reversal: Undo the screw in the latch to remove it. Reverse and reinsert then replace the screw.
To lock the door
1. On closing the door, the latch is automatically engaged.
2. Lift the handle up to engage the additional locking points.
3. Throw the deadbolt and lock the system by turning the key (on some brands, the deadbolt will be thrown by lifting the handle).
To unlock the door
1. Unlock the system by turning the key.
2. Push the handle downwards to disengage the locking points.
3. A further quarter turn of the key will retract the latch.
Please note that if the latch is pushed in before the case is fitted to the strip it will stick. Some gearboxes are now coming supplied from the factory with the latch pushed in and retained inside the case.
The latch can be released by one of the following methods depending on the version of the case you have received
If your lock features a square hold-back spindle follower towards the top of the gearbox, simply turn the spindle follower to release the latch.
If your lock has a hollow white plastic piece in the hold-back spindle hole then insert a screwdriver into the face of the lock and push down the white plastic piece to release the latch.
If your lock does not have a small hold-back spindle or a white plastic insert towards the top of the case, then insert any normal handle spindle through the lever follower, pull the lever down then lift it fully up. The latch will now be released.
Once fitted this will not happen unless the latch is manually pushed back into the lock case, and the handle will pull the latch back through its normal cycle and release it again.
Reviews
There are no reviews yet.