Description
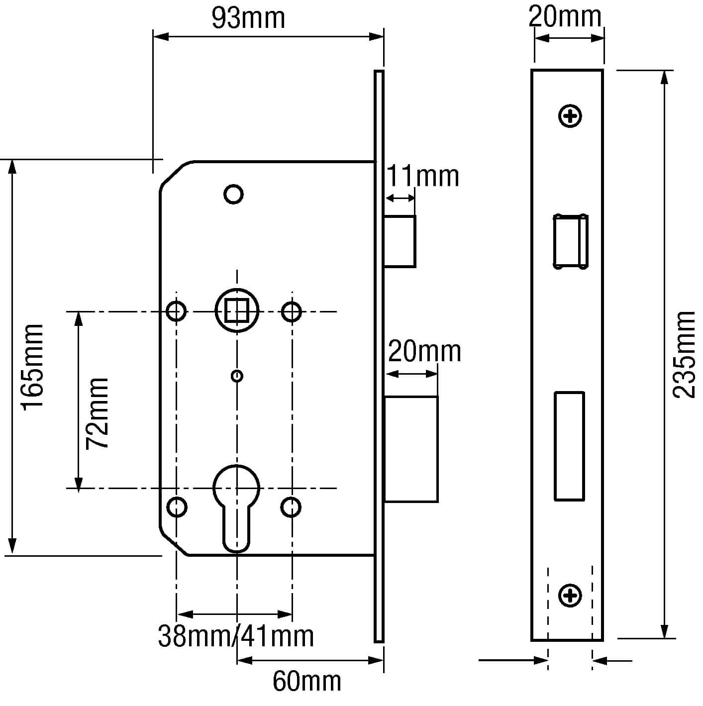
Briton 5420 euro mortice sashlock case operated by key and lever furniture. Backset 60mm, PZ centres 72mm. Radius and square forend available.
Fire tested to EN 1634 on timber doors to achieve a 90 minute fire rating, and 4 hours for metal doors.
When fitted to timber fire doors the lock must be fitted in conjunction with the intumescent protection to ensure that the integrity of the door is maintained in a fire situation.













Reviews
There are no reviews yet.