Description
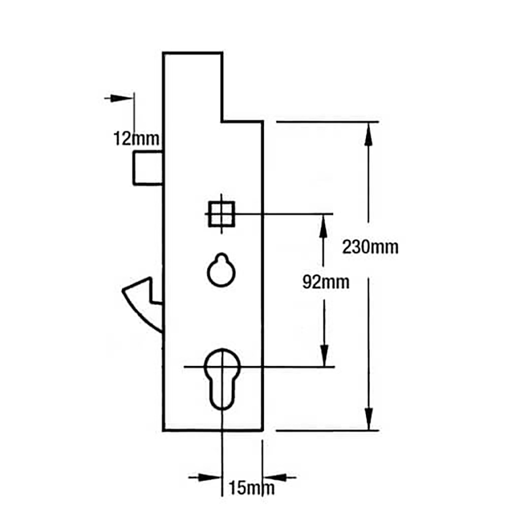
Fullex XL gearboxes are available in 35mm and 45mm backsets in single, double, and split spindle configurations but their dimensions are all the same. They measure 227mm high by the backset + 15mm. These gearboxes attach to their strips with three equidistant screws. The middle screw is 108mm from the top, which is also 108mm from the bottom screw.
These gearboxes all feature a hook that throws upwards. The hook is manufactured from Dacromet coated A3 sintered steel and is approximately 23mm high.
XL gearboxes also feature a snib on the faceplate that can be used to hold back the latch.
We stock a range of associated products for Fullex XL gearboxes, including multipoint door locks, keeps, spindles, handles and accessories.












Reviews
There are no reviews yet.